
3.2 MW 2008 Low Hour Used Kawasaki MIT-23 Natural Gas Turbine Power Plant
Location:Asia
Description
EXCLUSIVELY FROM USP&E!
USP&E is selling 3.2 MW 2008 Low Hour Used Kawasaki MIT-23 Natural Gas Turbine Power Plant
60 Hz; 6600 Volts;
Units available: 16 x 3.2 MW
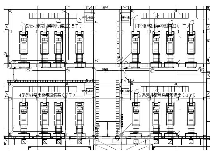
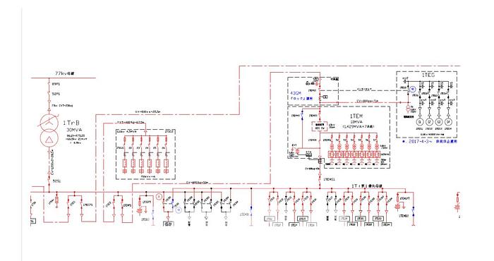
This gas turbine plant has 16 x 3.2MW gas turbines with the optimal layout of 4 x 4 blocks and was initially installed as an emergency power supply in preparation for major disasters or large-scale power outages in the area. No serious emergencies have been the reason that this plant has had almost no operation. Hours per unit are 60 hours or less.
This plant has been regularly checked and well maintained despite the lack of use and is in great condition.
Main specifications
- Gas Turbine Model: MIT-23 x 16 sets
- Maker: KAWASAKI
- Power Output: 3,200kWe
- Frequency & Voltage: 60Hz & 6600V
- Year of Production: 2008
- Running Hours: about 60hrs
- Fuel Oil: Natural Gas
- Plant Auxiliary Equipment: 1 set
**Note that price is per unit
USP&E offers complete turnkey design, installation, EPC and O&M services with PERFORMANCE GUARANTEES anywhere in the world (sanctioned countries only).
USP&E offers full warranty and guarantees on our EPC and O&M projects and couples this with our own proprietary power plant optimization software tool called SMARTpower.
SMARTpower offers predictive analytics and real-time reporting, spares control, and KPI management all in an elegant dashboard annunciated to your handheld.
With onboard predictive analytics powered by machine learning and advanced a.i., SMARTpower saves our clients millions of dollars per year in fuel and spares costs while optimizing asset life.
We look forward to working with you! Call or email us today at info@uspeglobal.com
Specifications
| Manufacturer | Kawasaki |
| Model | MIT-23 |
| Year | 2008 |
| Condition | Used |
| Stock Number | USP010032 |
| Wattage | 3.2 MW |
| Hours | 60 Hours |
| Frequency | 60 Hz |
| Fuel Type | Natural Gas |
| Voltage | 6600 |














